



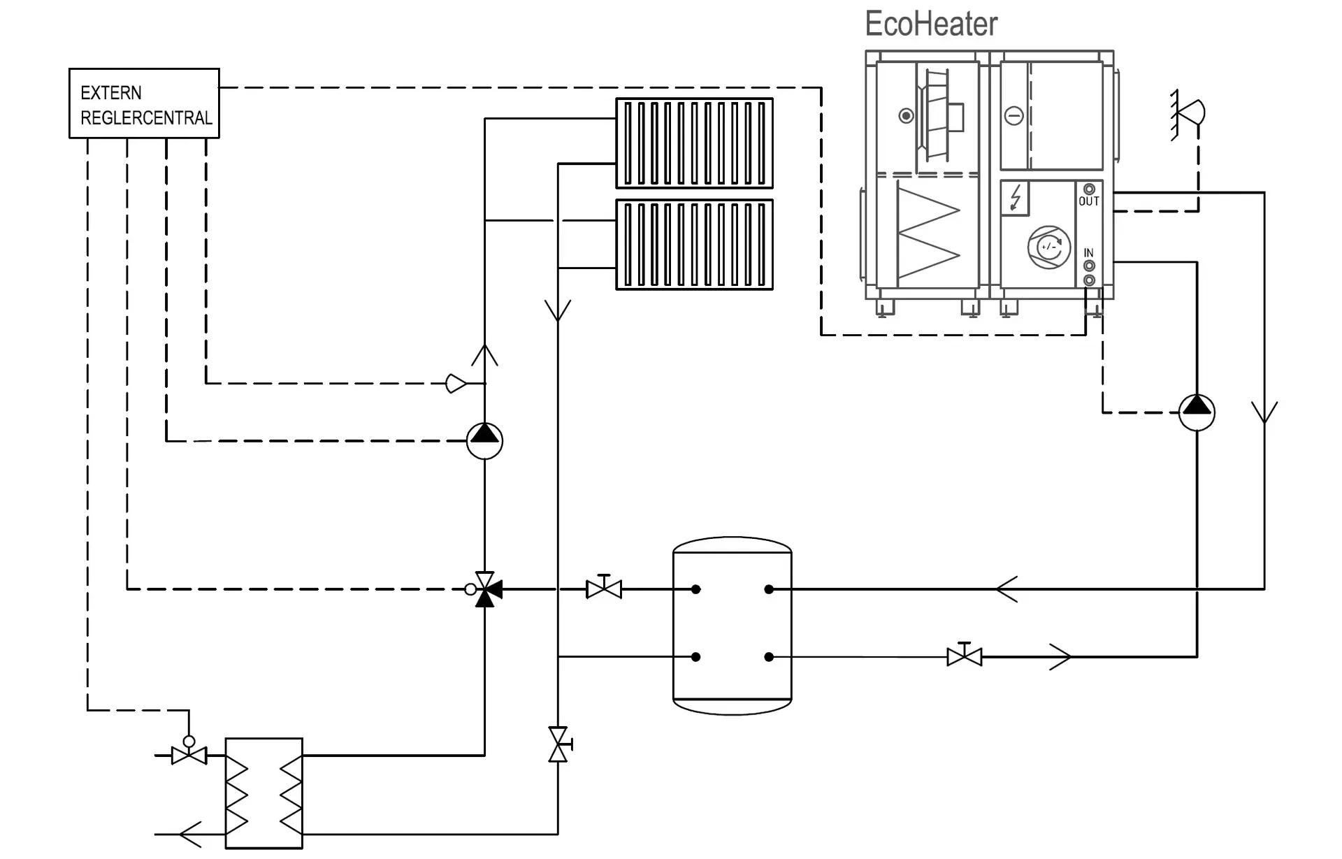
En serie fraluftsaggregat med integrert varmepumpe for energieffektivisering av flerbolighus.

![]() | ||
|---|---|---|
Regler Rekkomenderat Möjligt | Avtrekksvarmepumpe | |
300 | ||
240 | ||
190 | ||
150 | ||
100 | ||
060 | ||
m³/h 01800360054007200900010800 | ||
Tekniske dataforHome Concept EcoHeater
Her finner du mål og vekt samt effekt- og ytelsesdata for Home Concept EcoHeater .
| Størrelse | Plassering av styreskap | Vekt (kg) | Vekt viftdel (kg) | Vekt varmepumpedelen (kg) | (kg) | Effekt og sikring | ||||||||||||||
|---|---|---|---|---|---|---|---|---|---|---|---|---|---|---|---|---|---|---|---|---|
| Min | SFPv0,6 | Max | Bredde | Høyde | Lengde | Bredde kanaltilkobling | Høyde kanaltilkobling | Lengde viftdel | Lengde varmepumpedelen | Lengde branngass-bypassdel | R454B Krets 1 | tonn CO2e (R454B) Krets 1 | Maks. tilført eleffekt (kWh) | Nominell varmeeffekt (kWh) | Systemspenning | |||||
060-2V | 540 | 1440 | 1800 | 890 | 1330 | 1530 | 500 | 300 | 740 | 790 | 442 | I aggregatet ved viftemodul | 281 | 124 | 157 | 1.44 | 0.67 | 3.6 | 15.3 | 400VAC |
100-2V | 864 | 2520 | 3350 | 1020 | 1395 | 1530 | 700 | 300 | 740 | 790 | 442 | I aggregatet ved viftemodul | 330 | 148 | 182 | 2.12 | 0.99 | 4.3 | 21.3 | 400VAC |
150-2V | 1440 | 4320 | 5180 | 1120 | 1585 | 1680 | 800 | 500 | 890 | 790 | 442 | I aggregatet ved viftemodul | 493 | 191 | 302 | 3.33 | 1.55 | 7.1 | 35 | 400VAC |
190-2V | 2560 | 5220 | 7630 | 1400 | 1585 | 1780 | 1000 | 500 | 890 | 890 | 442 | I aggregatet ved viftemodul | 586 | 244 | 342 | 4.32 | 2.01 | 10.8 | 47.8 | 400VAC |
240-2V | 2810 | 6120 | 8960 | 1400 | 1686 | 1780 | 1000 | 600 | 890 | 890 | 442 | I aggregatet ved viftemodul | 673 | 293 | 380 | 5.4 | 2.52 | 10.8 | 54.8 | 400VAC |
300-2V | 3780 | 6770 | 10800 | 1616 | 1686 | 1780 | 1200 | 600 | 890 | 890 | 442 | I aggregatet ved viftemodul | 779 | 314 | 465 | 6.4 | 2.98 | 14.1 | 70.8 | 400VAC |
Dokumentasjon forHome Concept EcoHeater
Her finner du generell dokumentasjon for denne produktserien. Last ned de nyeste versjonene av produktbrosjyrer, brukermanualer, sertifikater og andre dokumenter.
Ditt ventilasjonsaggregat
Hvis du leter etter informasjon om aggregatet ditt, søk med ordrenummeret.
Dokument | Dokumenttype | Språk | Versjon | Last ned/Del | |
|---|---|---|---|---|---|
| Laster… | |||||
















